- Технические характеристики и другая информация предоставляются для справки.
- Чертежи и изображения представлены для ознакомления
Подшипник комбинированный роликовый ZARN 45105-L-TV
Технические характеристики
Обозначение : ZARN45105-L-TV
Размеры, мм : 45x105x103
Производитель : INA
Диаметр внутренний, мм : 45
Диаметр наружный, мм : 105
Высота, мм : 103
Технические данные из каталога производителя :
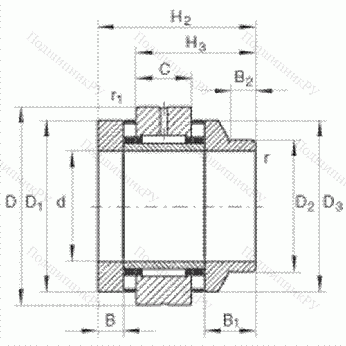
d - 45 mm
D - 105 mm
H2 - 103 mm
B - 17,5 mm
B1 - 38,5 mm
B2 - 14 mm
C - 25 mm
D1 - 90 mm
D2 - 70 mm
D3 - 88 mm
Da max - 91 mm / Присоединительные размерыПри использовании радиальных уплотнений вала следует учитывать наружный диаметр уплотнения.
da min - 68 mm / Присоединительные размерыПри использовании радиальных уплотнений вала следует учитывать наружный диаметр уплотнения.
H3 - 74,5 mm
r1 min - 0,6 mm
rmin - 0,3 mm
m - 3,42 kg / Вес
Ca - 154000 N / динамическая грузоподъемность, осевая
C0a - 405000 N / статическая грузоподъемность, осевая
Cr - 40000 N / динамическая грузоподъемность, радиальная
C0r - 82000 N / статическая грузоподъемность, радиальная
nG Ol - 3300 1/min / Предельная частота вращения при смазывании маслом (действительна только при достаточном охлаждении масла)
nG Fett - 1150 1/min / Предельная частота вращения при консистентной смазке
MRL - 3,5 Nm / Момент трения подшипника
caL - 4000 N/µm / осевая жесткость
ckL - 2100 Nm/mrad / Жесткость к опрокидыванию
Mm - 28,1 kg x cm^2 / Момент инерции масс вращающегося внутреннего кольца
- 1 µm / Торцовое биениеДанные о торцовом биении для подшипников опор ходовых винтов относятся к вращающемуся внутреннему кольцу.
- ZMA45/85 / Условное обозначение рекомендуемых шлицевых гаек INAAM45 Условное обозначение рекомендуемых шлицевых гаек INAMA
двустороннего действия, удлиненное тугое кольцо
|
Производитель
|
INA |
|
Ширина B
|
103 |
|
Внешний диаметр D
|
105 |
|
Внутренний диаметр d
|
45 |
|
Размер
|
45x105x103 |
|
Вес, кг
|
3.42 |
|
Модель
|
ZARN45105-L-TV-INA |
|
SKU
|
ZARN45105-L-TV-INA |
Похожие по размеру
Оформить заказ на нашем сайте легко. Просто добавьте выбранные товары в корзину, а затем перейдите на страницу Корзина, проверьте правильность заказанных позиций и нажмите кнопку «Оформить заказ» или «Быстрый заказ».
Функция «Быстрый заказ» позволяет покупателю не проходить всю процедуру оформления заказа самостоятельно. Вы заполняете форму, и через короткое время вам перезвонит менеджер магазина. Он уточнит все условия заказа, ответит на вопросы, касающиеся качества товара, его особенностей. А также подскажет о вариантах оплаты и доставки.
По результатам звонка, пользователь либо, получив уточнения, самостоятельно оформляет заказ, укомплектовав его необходимыми позициями, либо соглашается на оформление в том виде, в котором есть сейчас. Получает подтверждение на почту или на мобильный телефон и ждёт доставки.
Если вы уверены в выборе, то можете самостоятельно оформить заказ, заполнив по этапам всю форму.
Выберите из списка название вашего региона и населённого пункта. Если вы не нашли свой населённый пункт в списке, выберите значение «Другое местоположение» и впишите название своего населённого пункта в графу «Город». Введите правильный индекс.
В зависимости от места жительства вам предложат варианты доставки. Выберите любой удобный способ.
Оплата
Выберите оптимальный способ оплаты.
Введите данные о себе: ФИО, адрес доставки, номер телефона. В поле «Комментарии к заказу» введите сведения, которые могут пригодиться курьеру, например: подъезды в доме считаются справа налево.
Проверьте правильность ввода информации: позиции заказа, выбор местоположения, данные о покупателе. Нажмите кнопку «Оформить заказ».
Наш сервис запоминает данные о пользователе, информацию о заказе и в следующий раз предложит вам повторить к вводу данные предыдущего заказа. Если условия вам не подходят, выбирайте другие варианты.
